020
AOXUAN
| Verfügbarkeit: | |
|---|---|
| Menge: | |
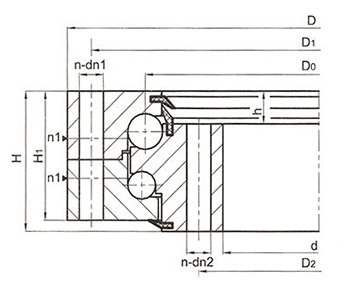
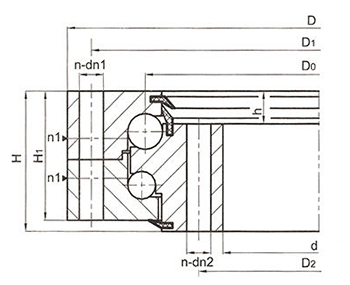
Großwälzlager bestehen aus einem Innenring und einem Außenring, von denen einer normalerweise ein Zahnrad enthält. Zusammen mit Befestigungslöchern in beiden Ringen ermöglichen sie eine optimierte Kraftübertragung bei einfacher und schneller Verbindung benachbarter Maschinenkomponenten. Die Lagerlaufbahnen sind in Verbindung mit den Wälzkörpern und Käfigen oder Distanzstücken so ausgelegt, dass sie Belastungen aufnehmen können, die einzeln oder in Kombination und in jede Richtung wirken.


Je nach Beanspruchung werden in der oberen und unteren Reihe Stahlkugeln mit unterschiedlichen Durchmessern angeordnet. Diese offene Baugruppe ist sehr praktisch. Der Lagerwinkel der oberen und unteren Kreisbogenlaufbahnen beträgt 90 °, was großen Axialkräften und Kippmomenten standhalten kann.


NEIN. |
Typ |
Konfiguration und strukturelle Dimension |
Abmessungen des Montagelochs |
Getriebeparameter |
Gewicht |
|||||||||||||||||||||||
020 |
021.022 |
023.024 |
D |
D |
H |
H1 |
H |
020.023.024 |
021.022 |
n1 |
D1 |
D2 |
N |
Geben Sie 0 ein |
Typ1,2,3 |
B |
M |
021.022 |
023.024 |
020 |
021.022 |
023.024 |
||||||
Stahlkugel-Spez. DL |
D3 |
d1 |
D3 |
d1 |
φ |
M |
T |
z |
da |
z |
da |
kg |
||||||||||||||||
1 |
020.25.500 |
021.25.500 022.25.500 |
023.25.500 024.25.500 |
616 |
384 |
106 |
96 |
26 |
482 |
477 |
523 |
518 |
4 |
580 |
420 |
20 |
φ18 |
16 |
32 |
60 |
5 6 |
126 105 |
664 646.8 |
72 59 |
357 350.4 |
121 |
130 130 |
126 128 |
2 |
020.25.560 |
021.25.560 022.25.560 |
023.25.560 024.25.560 |
676 |
444 |
106 |
96 |
26 |
543 |
537 |
583 |
578 |
4 |
640 |
480 |
20 |
φ18 |
16 |
32 |
60 |
5 6 |
138 115 |
704 706.8 |
64 69 |
417 410.4 |
136 |
146 147 |
143 144 |
3 |
020.25.630 |
021.25.630 022.25.630 |
023.25.630 024.25.630 |
746 |
514 |
106 |
96 |
26 |
613 |
607 |
653 |
648 |
4 |
710 |
550 |
24 |
φ18 |
16 |
32 |
60 |
6 8 |
129 96 |
790.8 790.4 |
81 60 |
482.4 475.2 |
152 |
173 170 |
160 162 |
4 |
020.25.710 |
021.25.710 022.25.710 |
023.25.710 024.25.710 |
826 |
594 |
106 |
96 |
26 |
692 |
687 |
733 |
728 |
4 |
790 |
630 |
24 |
φ18 |
16 |
32 |
60 |
6 8 |
141 105 |
862.8 862.4 |
94 70 |
560.4 555.2 |
172 |
190 187 |
183 184 |
5 |
020.30.800 |
021.30.800 022.30.800 |
023.30.800 024.30.800 |
942 |
658 |
124 |
114 |
29 |
777 |
771 |
829 |
823 |
6 |
898 |
702 |
30 |
Φ22 |
20 |
40 |
80 |
8 10 |
120 96 |
982.4 988 |
78 62 |
619.2 614 |
284 |
305 307 |
300 301 |
6 |
020.30.900 |
021.30.900 022.30.900 |
023.30.900 024.30.900 |
1042 |
758 |
124 |
114 |
29 |
877 |
871 |
929 |
923 |
6 |
998 |
802 |
30 |
Φ22 |
20 |
40 |
80 |
8 10 |
133 106 |
1086.4 1088 |
90 72 |
715.2 714 |
316 |
349 348 |
337 335 |
7 |
020.30.1000 |
021.30.1000 022.30.1000 |
023.30.1000 024.30.1000 |
1142 |
858 |
124 |
114 |
29 |
977 |
971 |
1029 |
1023 |
6 |
1098 |
902 |
36 |
Φ22 |
20 |
40 |
80 |
10 12 |
117 97 |
1198 1197.6 |
82 67 |
814 796.8 |
349 |
396 391 |
371 383 |
8 |
020.30.1120 |
021.30.1120 022.30.1120 |
023.30.1120 024.30.1120 |
1262 |
978 |
124 |
114 |
29 |
1097 |
1091 |
1148 |
1143 |
6 |
1218 |
1022 |
36 |
Φ22 |
20 |
40 |
80 |
10 12 |
129 107 |
1318 1317.6 |
93 77 |
924 916.8 |
394 |
445 439 |
429 432 |
9 |
020.40.1250 |
021.40.1250 022.40.1250 |
023.40.1250 024.40.1250 |
1426 |
1074 |
160 |
150 |
39 |
1215 |
1214 |
1286 |
1282 |
5 |
1374 |
1126 |
40 |
Φ26 |
24 |
48 |
90 |
12 14 |
122 104 |
1497.6 1495.2 |
85 73 |
1012.8 1013.6 |
709 |
784 774 |
746 741 |
10 |
020.40.1400 |
021.40.1400 022.40.1400 |
023.40.1400 024.40.1400 |
1576 |
1224 |
160 |
150 |
39 |
1365 |
1364 |
1436 |
1432 |
5 |
1524 |
1272 |
40 |
Φ26 |
24 |
48 |
90 |
12 14 |
134 115 |
1641.6 1649.2 |
97 83 |
1156.8 1153.6 |
787 |
870 878 |
850 850 |
11 |
020.40.1600 |
021.40.1600 022.40.1600 |
023.40.1600 024.40.1600 |
1776 |
1424 |
160 |
150 |
39 |
1565 |
1564 |
1636 |
1635 |
5 |
1724 |
1476 |
45 |
Φ26 |
24 |
48 |
90 |
14 16 |
129 113 |
1845.2 1852.8 |
97 85 |
1349.6 1350.4 |
899 |
995 1003 |
979 972 |
12 |
020.40.1800 |
021.40.1800 022.40.1800 |
023.40.1800 024.40.1800 |
1976 |
1624 |
160 |
150 |
39 |
1765 |
1764 |
1836 |
1835 |
5 |
1924 |
1676 |
45 |
Φ26 |
24 |
48 |
90 |
14 16 |
144 126 |
2055.2 2060.8 |
111 97 |
1545.6 1542.4 |
1018 |
1147 1151 |
1117 1116 |
13 |
020.50.2000 |
021.50.2000 022.50.2000 |
023.50.2000 024.50.2000 |
2215 |
1785 |
190 |
178 |
47 |
1965 |
1962 |
2038 |
2035 |
8 |
2149 |
1851 |
48 |
Φ33 |
30 |
60 |
90 |
16 18 |
141 125 |
2300.8 2300.4 |
107 95 |
1702.4 1699.2 |
1586 |
1794 1780 |
1733 1732 |
14 |
020.50.2240 |
021.50.2240 022.50.2240 |
023.50.2240 024.50.2240 |
2455 |
2025 |
190 |
178 |
47 |
2206 |
2202 |
2278 |
2275 |
8 |
2389 |
2091 |
48 |
Φ33 |
30 |
60 |
120 |
16 18 |
156 139 |
2540.8 2552.4 |
122 108 |
1942.4 1933.2 |
1789 |
2017 2048 |
1956 1973 |
15 |
020.50.2500 |
021.50.2500 022.50.2500 |
023.50.2500 024.50.2500 |
2715 |
2285 |
190 |
178 |
47 |
2465 |
2462 |
2538 |
2532 |
8 |
2649 |
2351 |
56 |
Φ33 |
30 |
60 |
120 |
18 20 |
153 138 |
2804.4 2816 |
123 110 |
2203.2 2188 |
1990 |
2246 2280 |
2164 2204 |
16 |
020.50.2800 |
021.50.2800 022.50.2800 |
023.50.2800 024.50.2800 |
3015 |
2585 |
190 |
178 |
47 |
2765 |
2762 |
2838 |
2832 |
8 |
2949 |
2651 |
56 |
Φ33 |
30 |
60 |
120 |
18 20 |
170 153 |
3110.4 3116 |
139 125 |
2491.2 2488 |
2243 |
2553 2563 |
2486 2485 |
17 |
020.60.3150 |
021.60.3150 022.60.3150 |
023.60.3150 024.60.3150 |
3428 |
2872 |
226 |
214 |
56 |
3104 |
3102 |
3198 |
3196 |
8 |
3338 |
2962 |
56 |
Φ45 |
42 |
84 |
120 |
20 22 |
174 158 |
3536 3537.6 |
139 126 |
2768 2758.8 |
3762 |
4428 4414 |
4137 4167 |
Hinweis: Das Montageloch (n - Φ) kann durch das Schraubenloch (nM) ersetzt werden. Die Länge des Schraubenlochs: T. Die Produkttypen sind wie folgt: Typ 0 (Innen- und Außenring: Φ), Typ 1 (Innen- und Außenring: M), Typ 2 (Außenring: M, Innenring: φ), Typ 3 (Außenring: φ, Innenring: M).
1. N1 ist die Anzahl der Schmieröllöcher. Ölbecher M10 × 1JB/T7940.1~JB/T7940.2。 Der Benutzer kann die Position der Ölbohrung entsprechend der tatsächlichen Anwendungssituation festlegen.
2. N - ∅ kann in ein Gewindeloch mit einem Durchmesser von M und einer Tiefe von 2M geändert werden.
3. Die Spezifikationen in diesem Beispiel sind Standardprodukte und die Innen- und Außendurchmesser sind freie Toleranzen. Wenn Übereinstimmungsanforderungen zwischen Hauptmotor und Großwälzlager bestehen, geben Sie bitte die passenden Abmessungen und die Genauigkeit im Vertrag oder in Vertragsanhängen (z. B. technischen Vereinbarungen) an.
4. Bei den in der Tabelle aufgeführten Produkten handelt es sich um Stammprodukte unseres Unternehmens. Wenn Sie weitere spezielle Anforderungen haben, wenden Sie sich bitte an unser Unternehmen.

Zweireihiger Drehkranz (Serie 02) – 020 ohne Getriebe – AOXUAN-Lager.pdf
Es eignet sich besonders für schwere Maschinen, die große Durchmesser erfordern, wie Schaufelradbagger, Radkräne, Schiffskräne, Hafenkräne, Stahldrehtische, LKW-Kräne mit großer Tonnage und andere Maschinen.

1) Sind Sie Händler oder Hersteller?
Wir sind ein professioneller Hersteller von Großwälzlagern mit mehr als 20 Jahren Erfahrung. Unser Werk befindet sich in der Provinz Jiangsu.
2) Wie lauten die Zahlungsbedingungen?
Wir akzeptieren normalerweise T/T oder L/C. Andere Bedingungen sind verhandelbar.
3) Wie hoch ist Ihre Mindestbestellmenge?
Es kommt darauf an, was Sie kaufen. Unter normalen Umständen beträgt unsere Mindestbestellmenge 1 Stück.
4) Wie ist Ihre Lieferzeit?
Unsere Lieferzeit beträgt nur 3-7 Tage, sofern der Vorrat verfügbar ist. Wenn es sich um unseren Standardtyp handelt, beträgt die Lieferzeit etwa 25 Tage. Wenn es sich nicht um einen Standardtyp handelt, beträgt die Lieferzeit 45 bis 50 Tage.
5) Wie sieht es mit der Qualitätskontrolle aus?
Wir verfügen über ein perfektes Qualitätsmanagementsystem, um perfekte Produkte herzustellen. Wir sind verantwortlich für die sorgfältige Prüfung der Produktqualität und -spezifikationen und überwachen jeden Produktionsprozess bis zum Abschluss der Verpackung, um die Produktsicherheit im Behälter zu gewährleisten.
6) Können Sie spezielle Anpassungen entsprechend den Arbeitsbedingungen vornehmen?
Natürlich können wir die Großwälzlager für unterschiedliche Arbeitsbedingungen entwerfen und produzieren.
7) Zweireihiger Drehkranz – 020 Kein OEM-Getriebe verfügbar
Changzhou Aoxuan Heavy Bearing Co., Ltd. hat seinen Sitz in Changzhou, Provinz Jiangsu. Es ist ein High-Tech-Unternehmen, das sich auf Forschung, Entwicklung, Design, Herstellung und Vertrieb von Großwälzlagern spezialisiert hat. Das Unternehmen erstreckt sich über eine Fläche von 32.000 qm und eine Gebäudefläche von 25.500 qm. Das Unternehmen verfügt über mehr als 120 Sätze verschiedener Bearbeitungsgeräte und mehr als 30 fortschrittliche Prüfgeräte. Die jährliche Produktion von Großwälzlagern übersteigt 30.000 Sätze.
Changzhou Aoxuan Heavy Bearing Co., Ltd. wurde nacheinander als privates Wissenschafts- und Technologieunternehmen in der Stadt Changzhou, als High-Tech-Unternehmen in der Provinz Jiangsu und als Forschungszentrum für Schwerlast-Großwälzlagertechnik in der Stadt Changzhou mit umfangreichen und nachhaltigen Forschungs- und Entwicklungskapazitäten anerkannt.
Das Unternehmen baute weiterhin die Kooperation zwischen „industrieller universitärer Forschung“ aus und führte professionelle Forschung und Zusammenarbeit in den Bereichen Großwälzlager mit Hochschulen und Abteilungen der Hehai-Universität, der Jiangsu-Universität, der Technischen Universität Nanjing, dem Luoyang Bearing Science and Technology Research Institute und anderen Universitäten und Industrieforschungsinstituten durch.
