021.022.
أوكسوان
| التوفر: | |
|---|---|
| الكمية: | |
تتكون محامل الدوران من حلقة داخلية وحلقة خارجية، وعادة ما تشتمل إحداهما على ترس. ومع فتحات التثبيت في كلتا الحلقتين، فإنها تتيح نقلًا مثاليًا للطاقة من خلال اتصال بسيط وسريع بين مكونات الماكينة المتجاورة. تم تصميم مجاري المحامل، جنبًا إلى جنب مع العناصر الدوارة والأقفاص أو الفواصل، لاستيعاب الأحمال التي تعمل منفردة أو مجتمعة، وفي أي اتجاه.


وفقا لظروف الإجهاد، يتم ترتيب الصفوف العلوية والسفلية من الكرات الفولاذية بأقطار مختلفة. هذا التجميع من النوع المفتوح مريح للغاية. زاوية تحمل المجاري المائية ذات القوس الدائري العلوي والسفلي هي 90 درجة، والتي يمكنها تحمل القوة المحورية الكبيرة ولحظة الانقلاب.


لا. |
يكتب |
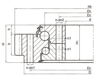
التكوين والبعد الهيكلي |
البعد ثقب التركيب |
معلمة العتاد |
وزن |
|||||||||||||||||||||||
020 |
021,022 |
023,024 |
د |
د |
ح |
H1 |
ح |
020,023,024 |
021,022 |
ن1 |
د1 |
د2 |
ن |
اكتب 0 |
النوع1،2،3 |
ب |
م |
021,022 |
023,024 |
020 |
021,022 |
023,024 |
||||||
مواصفات الكرة الفولاذية. دي إل |
د3 |
د1 |
د3 |
د1 |
φ |
م |
ت |
ض |
دا |
ض |
دا |
كجم |
||||||||||||||||
1 |
020.25.500 |
021.25.500 022.25.500 |
023.25.500 024.25.500 |
616 |
384 |
106 |
96 |
26 |
482 |
477 |
523 |
518 |
4 |
580 |
420 |
20 |
φ18 |
16 |
32 |
60 |
5 6 |
126 105 |
664 646.8 |
72 59 |
357 350.4 |
121 |
130 130 |
126 128 |
2 |
020.25.560 |
021.25.560 022.25.560 |
023.25.560 024.25.560 |
676 |
444 |
106 |
96 |
26 |
543 |
537 |
583 |
578 |
4 |
640 |
480 |
20 |
φ18 |
16 |
32 |
60 |
5 6 |
138 115 |
704 706.8 |
64 69 |
417 410.4 |
136 |
146 147 |
143 144 |
3 |
020.25.630 |
021.25.630 022.25.630 |
023.25.630 024.25.630 |
746 |
514 |
106 |
96 |
26 |
613 |
607 |
653 |
648 |
4 |
710 |
550 |
24 |
φ18 |
16 |
32 |
60 |
6 8 |
129 96 |
790.8 790.4 |
81 60 |
482.4 475.2 |
152 |
173 170 |
160 162 |
4 |
020.25.710 |
021.25.710 022.25.710 |
023.25.710 024.25.710 |
826 |
594 |
106 |
96 |
26 |
692 |
687 |
733 |
728 |
4 |
790 |
630 |
24 |
φ18 |
16 |
32 |
60 |
6 8 |
141 105 |
862.8 862.4 |
94 70 |
560.4 555.2 |
172 |
190 187 |
183 184 |
5 |
020.30.800 |
021.30.800 022.30.800 |
023.30.800 024.30.800 |
942 |
658 |
124 |
114 |
29 |
777 |
771 |
829 |
823 |
6 |
898 |
702 |
30 |
Φ22 |
20 |
40 |
80 |
8 10 |
120 96 |
982.4 988 |
78 62 |
619.2 614 |
284 |
305 307 |
300 301 |
6 |
020.30.900 |
021.30.900 022.30.900 |
023.30.900 024.30.900 |
1042 |
758 |
124 |
114 |
29 |
877 |
871 |
929 |
923 |
6 |
998 |
802 |
30 |
Φ22 |
20 |
40 |
80 |
8 10 |
133 106 |
1086.4 1088 |
90 72 |
715.2 714 |
316 |
349 348 |
337 335 |
7 |
020.30.1000 |
021.30.1000 022.30.1000 |
023.30.1000 024.30.1000 |
1142 |
858 |
124 |
114 |
29 |
977 |
971 |
1029 |
1023 |
6 |
1098 |
902 |
36 |
Φ22 |
20 |
40 |
80 |
10 12 |
117 97 |
1198 1197.6 |
82 67 |
814 796.8 |
349 |
396 391 |
371 383 |
8 |
020.30.1120 |
021.30.1120 022.30.1120 |
023.30.1120 024.30.1120 |
1262 |
978 |
124 |
114 |
29 |
1097 |
1091 |
1148 |
1143 |
6 |
1218 |
1022 |
36 |
Φ22 |
20 |
40 |
80 |
10 12 |
129 107 |
1318 1317.6 |
93 77 |
924 916.8 |
394 |
445 439 |
429 432 |
9 |
020.40.1250 |
021.40.1250 022.40.1250 |
023.40.1250 024.40.1250 |
1426 |
1074 |
160 |
150 |
39 |
1215 |
1214 |
1286 |
1282 |
5 |
1374 |
1126 |
40 |
Φ26 |
24 |
48 |
90 |
12 14 |
122 104 |
1497.6 1495.2 |
85 73 |
1012.8 1013.6 |
709 |
784 774 |
746 741 |
10 |
020.40.1400 |
021.40.1400 022.40.1400 |
023.40.1400 024.40.1400 |
1576 |
1224 |
160 |
150 |
39 |
1365 |
1364 |
1436 |
1432 |
5 |
1524 |
1272 |
40 |
Φ26 |
24 |
48 |
90 |
12 14 |
134 115 |
1641.6 1649.2 |
97 83 |
1156.8 1153.6 |
787 |
870 878 |
850 850 |
11 |
020.40.1600 |
021.40.1600 022.40.1600 |
023.40.1600 024.40.1600 |
1776 |
1424 |
160 |
150 |
39 |
1565 |
1564 |
1636 |
1635 |
5 |
1724 |
1476 |
45 |
Φ26 |
24 |
48 |
90 |
14 16 |
129 113 |
1845.2 1852.8 |
97 85 |
1349.6 1350.4 |
899 |
995 1003 |
979 972 |
12 |
020.40.1800 |
021.40.1800 022.40.1800 |
023.40.1800 024.40.1800 |
1976 |
1624 |
160 |
150 |
39 |
1765 |
1764 |
1836 |
1835 |
5 |
1924 |
1676 |
45 |
Φ26 |
24 |
48 |
90 |
14 16 |
144 126 |
2055.2 2060.8 |
111 97 |
1545.6 1542.4 |
1018 |
1147 1151 |
1117 1116 |
13 |
020.50.2000 |
021.50.2000 022.50.2000 |
023.50.2000 024.50.2000 |
2215 |
1785 |
190 |
178 |
47 |
1965 |
1962 |
2038 |
2035 |
8 |
2149 |
1851 |
48 |
Φ33 |
30 |
60 |
90 |
16 18 |
141 125 |
2300.8 2300.4 |
107 95 |
1702.4 1699.2 |
1586 |
1794 1780 |
1733 1732 |
14 |
020.50.2240 |
021.50.2240 022.50.2240 |
023.50.2240 024.50.2240 |
2455 |
2025 |
190 |
178 |
47 |
2206 |
2202 |
2278 |
2275 |
8 |
2389 |
2091 |
48 |
Φ33 |
30 |
60 |
120 |
16 18 |
156 139 |
2540.8 2552.4 |
122 108 |
1942.4 1933.2 |
1789 |
2017 2048 |
1956 1973 |
15 |
020.50.2500 |
021.50.2500 022.50.2500 |
023.50.2500 024.50.2500 |
2715 |
2285 |
190 |
178 |
47 |
2465 |
2462 |
2538 |
2532 |
8 |
2649 |
2351 |
56 |
Φ33 |
30 |
60 |
120 |
18 20 |
153 138 |
2804.4 2816 |
123 110 |
2203.2 2188 |
1990 |
2246 2280 |
2164 2204 |
16 |
020.50.2800 |
021.50.2800 022.50.2800 |
023.50.2800 024.50.2800 |
3015 |
2585 |
190 |
178 |
47 |
2765 |
2762 |
2838 |
2832 |
8 |
2949 |
2651 |
56 |
Φ33 |
30 |
60 |
120 |
18 20 |
170 153 |
3110.4 3116 |
139 125 |
2491.2 2488 |
2243 |
2553 2563 |
2486 2485 |
17 |
020.60.3150 |
021.60.3150 022.60.3150 |
023.60.3150 024.60.3150 |
3428 |
2872 |
226 |
214 |
56 |
3104 |
3102 |
3198 |
3196 |
8 |
3338 |
2962 |
56 |
Φ45 |
42 |
84 |
120 |
20 22 |
174 158 |
3536 3537.6 |
139 126 |
2768 2758.8 |
3762 |
4428 4414 |
4137 4167 |
ملحوظة: يمكن استبدال فتحة التثبيت (n - Φ) بفتحة المسمار (nM). طول فتحة المسمار: T. نوع المنتج كما يلي: النوع 0 (الحلقة الداخلية والخارجية: Φ)، النوع 1 (الحلقة الداخلية والخارجية: M)، النوع 2 (الحلقة الخارجية: M، الحلقة الداخلية: φ)، النوع 3 (الحلقة الخارجية: φ، الحلقة الداخلية: M).
1. N1 هو عدد فتحات زيت التشحيم. كوب الزيت M10 × 1JB/T7940.1~JB/T7940.2. يمكن للمستخدم تحديد موضع فتحة الزيت وفقًا لحالة التطبيق الفعلية.
2. يمكن تغيير N - ∅ إلى ثقب ملولب، بقطر M وعمق 2M.
3. المواصفات في هذه العينة هي منتجات قياسية، والأقطار الداخلية والخارجية هي تفاوتات مجانية. إذا كانت هناك متطلبات مطابقة بين المحرك الرئيسي ومحمل الدوران، فيرجى الإشارة إلى أبعاد المطابقة والدقة في العقد أو مرفقات العقد (مثل الاتفاقيات الفنية).
4. المنتجات المدرجة في الجدول هي المنتجات العادية لشركتنا. إذا كان لديك أي متطلبات خاصة أخرى، يرجى الاتصال بشركتنا.

حلقة الدوران ذات الصف المزدوج (السلسلة 02) - 021 ترس خارجي - محامل AOXUAN.pdf
إنها مناسبة بشكل خاص للآلات الثقيلة التي تتطلب أقطارًا كبيرة، مثل الحفارات ذات العجلات الدلو، والرافعات ذات العجلات، والرافعات البحرية، ورافعات الموانئ، والأقراص الدوارة الفولاذية، ورافعات الشاحنات ذات الحمولة الكبيرة وغيرها من الآلات.

1) هل أنت تاجر أو منتج؟
نحن متخصصون في تصنيع محامل الدوران مع أكثر من 20 عامًا من الخبرة، ويقع مصنعنا في مقاطعة جيانغسو.
2) ما هي شروط الدفع؟
نحن عادة نقبل T / T أو L / C. شروط أخرى قابلة للتفاوض.
3) ما هو الحد الأدنى لكمية الطلب الخاص بك؟
ذلك يعتمد على ما تشتريه. في ظل الظروف العادية، لدينا الحد الأدنى لكمية الطلب هو 1 قطعة.
4) ما هو وقت التسليم الخاص بك؟
المهلة الزمنية لدينا هي 3-7 أيام فقط إذا كان المخزون متاحًا. إذا كان هذا هو النوع القياسي لدينا، فإن وقت التسليم هو حوالي 25 يومًا، وإذا لم يكن من النوع القياسي، فإن وقت التسليم هو 45 إلى 50 يومًا.
5) ماذا عن مراقبة الجودة؟
لدينا نظام إدارة جودة مثالي لإنتاج منتجات مثالية. مسؤول عن الاختبار الدقيق لجودة المنتج ومواصفاته، ومراقبة كل عملية إنتاج حتى اكتمال التعبئة لضمان سلامة المنتج في الحاوية.
6) هل يمكنك توفير تخصيص خاص وفقًا لظروف العمل؟
بالتأكيد، يمكننا تصميم وإنتاج محامل الدوران لظروف العمل المختلفة.
7) حلقة الدوران ذات الصف المزدوج - 021.022. العتاد الخارجي OEM متاح
تقع شركة Changzhou Aoxuan Heavy Bearing Co., Ltd. في مدينة تشانغتشو بمقاطعة جيانغسو. إنها مؤسسة ذات تقنية عالية متخصصة في البحث والتطوير والتصميم والتصنيع والمبيعات لمحامل الدوران. تغطي الشركة مساحة 32000 ㎡ ومساحة بناء 25500 ㎡. تمتلك الشركة أكثر من 120 مجموعة من معدات التصنيع المختلفة وأكثر من 30 معدات اختبار متقدمة، ويتجاوز الإنتاج السنوي لمحمل الدوران 30000 مجموعة.
لقد تم الاعتراف بشركة Changzhou Aoxuan Heavy Bearing Co., Ltd. على التوالي كمؤسسة خاصة للعلوم والتكنولوجيا في مدينة Changzhou، وهي مؤسسة ذات تقنية عالية في مقاطعة Jiangsu، ومركز أبحاث تكنولوجيا هندسة محامل الأحمال الثقيلة في مدينة Changzhou، مع قدرات بحث وتطوير غنية ومستدامة.
واصلت الشركة تعزيز التعاون في 'أبحاث جامعات الصناعة' ونفذت بحثًا وتعاونًا احترافيًا في المجالات ذات الصلة بالمحامل مع كليات وأقسام جامعة Hehai وجامعة Jiangsu وجامعة Nanjing للتكنولوجيا ومعهد Luoyang Bearing لأبحاث العلوم والتكنولوجيا وغيرها من الجامعات ومعاهد أبحاث الصناعة.
